B. Flight Log_Released in U.S. v. Maxwell_Part4_0_0_0_0.pdf

Unknown Volume 20 pages

Tip: Use arrow keys to navigate pages
PDF Page
Help categorize this page (click to add/remove your vote)
Loading categories...
Page 1
Page 1
Page 2
Page 2
Page 3
Page 3
Page 4
Page 4
Page 5
Page 5
Page 6
Page 6
Page 7
Page 7
Page 8
Page 8
Page 9
Page 9
Page 10
Page 10
Page 11
Page 11
Page 12
Page 12
Page 13
Page 13
Page 14
Page 14
Page 15
Page 15
Page 16
Page 16
Page 17
Page 17
Page 18
Page 18
Page 19
Page 19
Page 20
Page 20
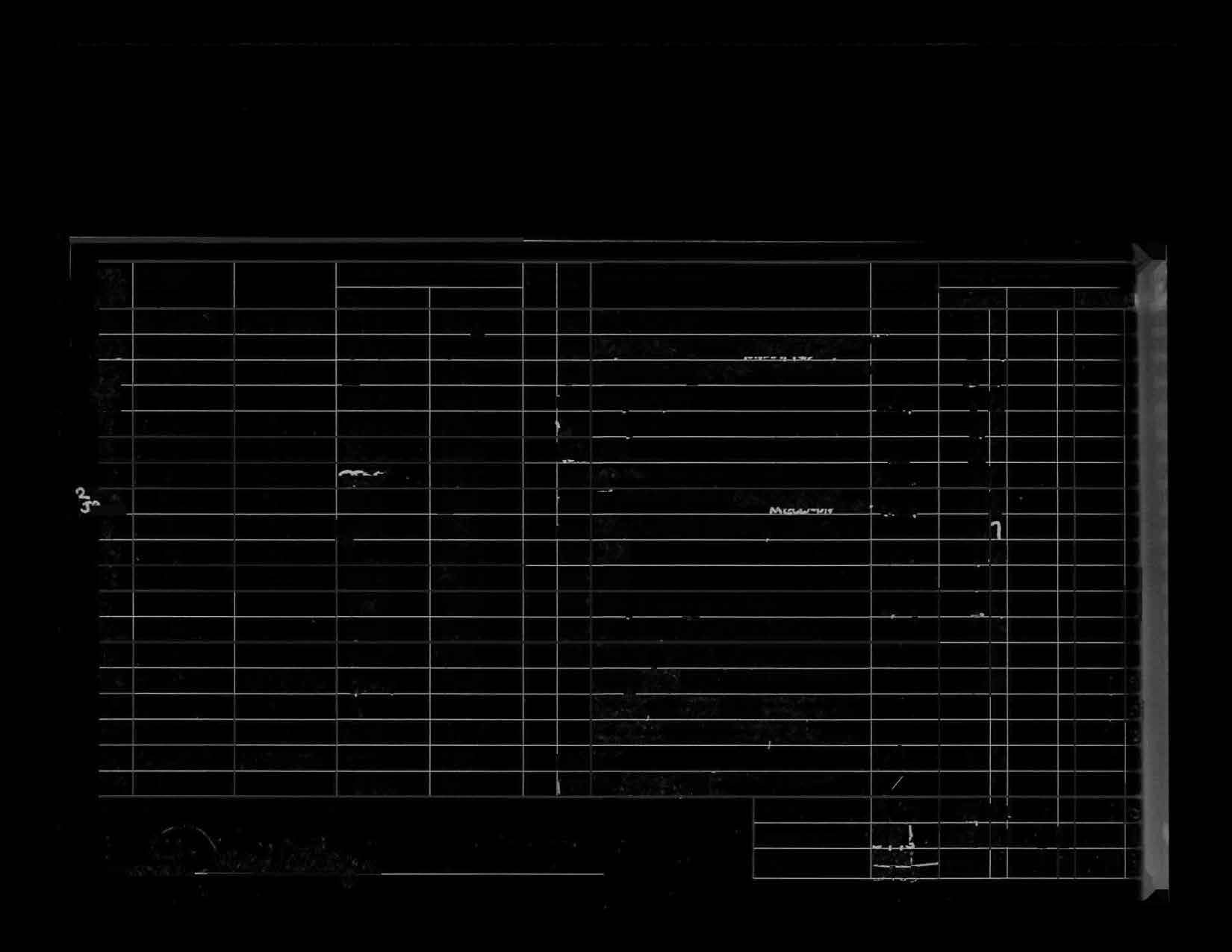
Page 1 100% OCR confidence
Dale 
i>ircrall Make 
Aircraft 
Points of Departure & Arrival 
Mies Flight 
Remallts, Procedures, 
NlA'llber 
Aircraft Categorr... 
1991 
and Model 
Identification Marl< 
Flown No. 
Maneuvers, Endorsements 
dlandin;Js 
rJo-J 
AUtf>t.•?A ~~ 
~!<.C:P'- I
From 
To 
2b IG--11.:;9 r-, 
1,JC\O~~~ ..TI.S--r 
PBt 
\r.11 TC: J ~M 
\I 
1. is­
\ I 
l \ 
C:~ MA~,c~L.'(f"r' f~1.,~'1
z_c; 
PB1 
1"<':::6 
\ \ 'JS'-S ~ 
'i:i.,J) ttt' 
111, ~ "'"·6,.>Lfr~ ~ 
..J 
2... tS' 
. 
1.-i 
\ ( 
I \ 
\l'.;:i1> 
P61 
\1'6b ::re..' I (3t..(:)'C~ 
\/\ 
1- 12 
-
:, 
119;,1 5C:=.1 Sd,)~t<:: B:i:.OM
II
4., 
PBt 
--tJ..51 
t71 
1- :> 
..._}
'"6 
\· 
l \ 
-rr.<i-t" 
5!1~ 
d-'39 Of5 2... l-Nswee-1f 6 :-l 
\/ 
__'") D 
II
')/ 
Ll 
58'1 
Pe;: 
\ '((§j o~ ~ Cof"\?L.&feo 
19 
'1'1'1 
~ rJ I 
\ I 
(-)(3-( 
\01 
\\qo R~SJ:TlO ,J 
\/ I 
2 r
" 
I 
IL 
I7 
-tf.S-r 
f-Jnt: 
\\~ \ ~<::: l GI"'\ 
\/1 
2 5 
I I 
I I 
~ 
c;.~~ ~l>tJJO/
l..\ 
PBj: 
'Te:6 
'A1, :tiG:Y.\
t,;;l'~ I~,... I ~";Ji:,en;.,. 
.y 
\J} 
'2-
1,,. 
G\ 
II 
l] 
--res.~ 
Pi5Y 
\tt3 ,J.G.I C)L<-d-£.j 
l/i 
1... 5 
l I 
t I
\0 
A6lf 
SA~ 
\1q4 :S""& > A~>'t,S 
\/. 
~'"> ol 
\1-
\l 
ll 
S0~ 
\) rJ y 
\t\'5 5& , ~LC::.t-1:i:::r 
\/ 
\ 6 
\5 
\ t 
u 
\) rJ'{ 
I..,, 0 r:: 
,¥-(. .1"~ 1 3C::.Pl ~ L-v~~ 
L-\ 2. 
\l\ 
\l 
~ I 
PBt 
--n::.s1 
\ f(" '5& J & M I c;\ 
\/ 
'2. \ 
<2._l\ 
I I 
\-/ 
1J-S--r 
\t:\;> 
·,\q1 3~/ &f"\ J e, 1 Ut...tsf'1 eJ.L\f1:.~AL.L \/, 
3 G 
'· ... 
-~E:{) 
pr~r 
11(1(1 ~ 
&~, ~-r..f\P. /" d•!»~..,,Ci:..C."''II 
1,._ i-2,
'1-~ 
' \ 
-t~ 
,._.. 
\// 
.. 
' S~F MAN1!"11vrf(->" ,4•111?<; 4 
13 
,
, l ,i } 
.;- ·, /' , 
pt-\ p - f>I) -
P1-1 /J 
I 
1 
. 
-· 
I -
\'"~ 
J;:16r""'e'I' r-"\'\', evf.>..1CG:s...c:,., p,_y.;,.'1.o..r', 
__L_ Gl\9'.\5 ~ C\[i6~ ~ ·,(2:.G 
\').P: 
\/ \ 
]._ ~ 
2 
,,) "'"' " 
1-
'J-ol;;, B) ~~\-\--
Pf"\9 
fJ {'I\(: 
H,E 
-~ 
I certify lhal the stalements made by me on this tonn are true. 
f 
Page Total 
\Lt/'6 
41 !0 
':t l) 
AITlOl.fll Forward 
(t.,1.. 
~~<,.:+, 73(2_'1 
~ ~ 
Pi~sS#JnalJIW<±Jaw.J ~ 
V 
Total to ...
Page 2 100% OCR confidence
,
ii 
I ti 
Aircraft Make 
Aircraft 
Points of Departuie & Arrival 
Miles Flight Rernalks,..._.,._s, 
lltir1'tler 
Alrc:111ft Category... 
* l 
and Model 
ldentifk:ation Mari< ,__ 
R0¥11n No. 
Maneuvers, Endorse.-nts 
of Landings 
­
I 
­
From 
To 
~~~ t:~J:Q:,z (~-<-ac.,i 
'? ~B? 
5qp\} Pf"\~ 
p /'l\f> 
J Pt.~ y 
'I 
'I 
q 
1 l 
1t 
L\ 
<,
4 
~IG. • h 
1U n ,1,,,.frvl~
----1 
­
b-l\5'\B 
- ~-se, _ 
PB!. 
J;r:,"°,J,\;,~~·~~, 
l/ I 
'2- \
!4 s
> 
[\)q ~ 
t'l.Pl -~ 
"' 
- ,,~­
DZ~i;-
~ 4, ~ ~ Aelvt<>,Ce~J fVl~tl• .t:w.Vt!r~· 
( I
-iDb(}.7 
SttPH 
p M fJ 
l'l"'IP 
I 
i('l-/,)1 ZL>/;I] 
;qp).J I JA tJ- PE J -
r:>/1,,1 j) 
~ '9- £ / .fl-✓l.(r :7 o/ C -t, l> 
J
I. 
•' 
1 ( 
1
'1/1 
' 
'l 
' ' 
A-\t 
\ 
(,
t 
':1~16..-,~ , ~1.,Nfr::.,v,~ S.v"":P-, 
, 
~ f',r\\'59(3 
NC{ <5@L. 
()e1.. . 
'Te-6 
\'.2,.c,1- ;:,.(!;,,-_,,.;_,,-,,,. "-JI,\,\, :tl, I 
._ ••. 
·2. 
I 
,, 
\'!P, 'Sc.~(sf", G:-1", ('uJ.,~f', Pitl-NC<c. ~.!)1Oflt..w 
,. 
\(
q 
·,<:::.e 
'TT,-':1) 
•...,,"""' '6u 
!lS 
3 3 
~+ 
1 r 
:l::,,(sr.'\~1 l'\f',J::f?:l.~,\~ j~¢~t.(.;JS.. 
,.-
'L( 
I 
l 
_, , 0..('l;:,/.J,: 1-\~~ i\.;11)1) o,\ t ;."~
\ 1. 
~ fr>6L 
\'l.D4 
\/ 
.2.. b 
I·; 
'}; C, f fJ _1, 
'i9Pi-! 
/ll't'i J) 
L tL P1l i-
J..1,i-1 ,) 
I} - r / ..>-illr'f/ ,./ ?t 
.' ­
l'l',~c! M.~W•Tfc, "~ r-7< , ._,x:,, 1 ),•w,.1>• a- ""Tl 
0 -J.. \C:, 
e,14 ".l.0<,:,0'2. 
.. ,0, 0 1-t 
VN'< 
P!~u 
VI-J'{ 
IIO:~& t <:1<9'e-?':i, •.!,/1 AVt'C.•.) 1 UI. IW<-lb 
5 
I 
Cl 
l~-S 'l"~1G1"'1L/~c,J~ ll<a.LSc.r->
\ L\ Cs-\\S'lC> N~D~ \)~-r: 
5~~ 
·3 b
\ i ' 
I\
\ I
\ S" 
$0~ 
\)NY 
\'Ltk. .SG: 
\/ l 
I L.. 
'fl'w,~,t (/""(f'GJ\i,..,~, (lJ'l'm,c.,~ s. o,<! Ho,.,c;,.,t
I 
I lo 
t ?::ib ~E 
IJ?c;,1.::>\l 
V,-N -
p,t'lv -
vl-"-f 
"-· ,A ·Ii'~- ....:.n:,...,.,_ A'-"€dl> r 
~ "--""' 
I L 
....,
I l, (~-11S9B 
J\jq6i~~ \1 t\) '-I 
MR'-P 
rzc1 :f<=-r 3 
f /1 
◄ 
. 
\( 
I/ 
:r~ 
.a
I 
1..0 
/"\R'i 
SA~ 
\2.P6 
\/ 1 
\ 
I 
\l 
Ir 
\1..6\ 1'1,: ,&M, .:f6,JIIIJ.td!,Isw::ieu/Jl CL(;t'lis>'SUC. 
I 
'2. \ 
Sf-\~ 
,£SB 
I/ 
~ s 
I 
I I 
\ I 
fe,--
\U...
Page 3 100% OCR confidence






 

	



	







	
 
	


 

 

	
	




 
	
 

l 
1 1 
11 
f ___ 
,. 
---. 
•A~ 
,..,... . , 
... 
~•-:---.. 
..-1. _ I
.• --
·"' 
l 
5-4-
.. 
"T 
,_. 
., 
N" 
u
j== ===~===~_____L__C~i___J__l= 

	
 
De„
 
 k @…
 


 

R}_S1
 

 


 
 
F3%lam
	
 

H!#V/


T6*
$% 
 
BP
 
| z )



 
	
 

F
 
W
 
ˆNX
 
y-½6
 

 
Ç  

 
s 

 

 
d~
 
	
 

 
U	
 
h i <

 

Zº
 
k78



Ij{N



 

 

  
 
 
 
 
B 
 
";<E ) 
I/<
"<< 
#*A 
+$C
+$*21 + ,/24-  --#7' 
).&1 .+5-1 
2 9, 
9 5&2A
2D((E%93 <) 
-9K4 9 
*47.1 *+/1)*21
 
;90 
9 
	  
?Quv. 
$..2 2"+-8 
 
 
 

#+ '% -  0 ;&2 H 
.
 
	 

  
   
	 
   
	  
 " 
 
 
(? 1:  J 
  
 

‚ 
c E=  
 : 
  
 ;
 
 


 	 
	  
x0 f 
 

 
 
  


 
 
 
 
    

	
 

 
 

   
 
 
 
 
 
 
 
 
 


 


 
2¤J3 2
Q 
! 
 
7	@4IE=
 
*5
 

	 
)9<"8K
 
A6>
B
 
/G
 
3C
 
D
 
  
 '
 
 
  
 " % 
 
 
 
 
 

 

 
 
 
 
 
 
 
 

) 
AMYwG  
 # 
9†C 
Uf|ÈɃ ‹w¦SY K¥mÊne< ËHL ³˜¼’¢/`
ÍŠž» Á 
Î\ …] s lÏÐ 
n Z 
Ì  
™‚[r^ o b“?M

 
(K> 
 
	
  

!  
* 
Ñc¨†Ò1µ °Ó”·p x‘ ¹Æ 
 

 

 
 
 
  ogp
 
 
 
ÔÕÖ¾t À×u 
  
  

 
 
 
-JŠqtr 
8\]', 7 
F$, 

  
 
4 
! "›_ ¿Œª;#$ % V Ø=5& B'(CÙ.)* 
!0(9  :3 6%;
 


	    
  
^L
 
 
	
 
‡ybˆ 

$

‰  
 ` 
 
 
O>ŽÚ´
 
z±Û
 
9•T
 
~¡Üœ	Ý
 
G®
 
Þšß à  €¬A­+  
 
DáÂiŸq җa²v £âPg§IÉ}E 
:d{«R¯, 
¶¸ã  –©0 äå 
 

W( 4O 5+X€" # 
	 

 
	...
Page 4 100% OCR confidence


	



	
 












 
	
 

	




	
	




	 
~11 
.. l 
II: 
t,1 
\ 
I 
. 
l 
I ' 
. 
-
-
I 
I 
. 
1i 
• 
I 
I . 
I 
·-,., -
, -
I 
I 
-
-.; 
I 
I 
. 
I 
I 
-
' 
-
,-
. . 
--L- • 
• 
11, 
-( 
i\ · '\ 
-
i 
r--:--
tl 
: 
 
 
 
 

 
 
 
 
C 
 
 
 
$9:J
 
,
 
%;9J
 
)!'65
 
)
 
+.69,
 

 
.,!<#
 

 
7
 
8/
 

 

 

  .&7
 


 
#*+3
 
 
 
* 

 
'8 

 


 
	
 
 

 

 
 
 
 

 
 

 
 

 

 

 
!&+
 
" 

 
12
 
K!
 

 
/#
 
G
 
=
 

 

 
	
 
  

 

 
 
 
 

6E'(D+86
 
<,
 

 

 (

 
(!<
  
T ]  
B
 
  

 

 
, 
	
 

 
uX3@,v

 
#! 
)
 

 
982
 
&$
# 
 

 
$5
 
 

 
* ! 
?*O
 
E!F
 
G" BDH26HB
 
3
 
O 2
 
86 I#&A 8>
 
;
 
J;L
 

	
 

 
 
 
'"
 
$-A
 
.& C
 
&."5
 
,):45
 
 
%
 

 
%+
 
$
 
%
 $'-
 

 

 
 6 9 

 
28.=
 

 
 
 
   
 	
 

 
wn_Voi^
 
mID
 
8
 
  

 
"
 

 

 
 
 

 
	

 

 

 
 

 

 
 
	
 
 
 
 
" 
18N4
 
L2:
 
!3-6
 
6 )/=>?
 
8
 
(;<.5 ().5&'75
 
8 5)5A
 
9pq
 
#c 
	
 

 

 

 

 

 
	
 
 

 
 

 
'
 
" 

 
 
 

 


 

 
)

 

 
 
 




 
><
 
?
 
 # 

 

 
 

 

 

 
 
,/
 
0"4:
 
; 

 
 
 
  

 

 

 
%!
 
(&#
 
 $)
 
 
.$  
	
 
r;E`5k
 
j>
 
:0
 
 
& 
  

 

 



 
	
 

 
F=4A
 
[US\
 

 
st
 
fZd
 
h
 
Wg6
 

 
 

 

 
&?*<L
 
QJN'a
 
GY
 
7be
 
-
+ 8O
 
)@
 
, *0  7
 

 1
 
AB6C
 
'!;5
 

 

  

 
./ 01 ,(2+)3
 
 4	5
@
 
20
*1
 
$ 

 

 
 
 

 
D 3("E94- F&
 

 
 


 

 


 ...
Page 5 100% OCR confidence
---,------,---~---r---r--r-------.-------,----- , 
Date 
Aira-aft Make 
Airt:raft 
Paints of Depalure & Arriwal 
Miles Aight 
Remallcs, Procedures, 
Nooiler 
Aircraft Categarr-
f 
1!H5 
and Model 
ldentiicalion Mark 
,___________, Aown No 
llaneuven, ENlorsements 
of landngs ,__________ 
r-wa 
From 
To 
A!, fL,~ GLra.•It Hf:11.~ 
1 
5 
L{ D 
3 Y 
I I 
l certify ttat the stalemenls made by me on this fonn are true. 
Page Total 
Clh 
26 
I I 
Amount Forwan:l 
~6<~1'1'-i.;.,~10~)~..--11, t..\SJ1> o 
Total to Date 
... 
65 
Page 6 100% OCR confidence
1
Date, 
Airaafl Make 
Aircraft 
Points of De,larture & Antval 
Miles Fl ~t Remarks, Procedures, 
Number 
Aircraft Category._ 
1s~d 
and Model 
Identification Mark 
Flown No. 
Maneuvers.. Endorsements 
of landings 
Ftom 
To
'"-~ 
A~L.'1tJC. Gu.oe,t. Ht:t-r.. 
I 
\ ,-<I .., 
,,::"fI (~ ,Cl.,\1
\-l 
\j" h 
:J 
N'-I~:,<~ fc:p 
') r-) (-
11.~~ 
1/ 
:> ½ 
\ l 
,, 
\ l. 
s f'-r y 
(')-1:,."< 
,nt: (:::1, (.!.'j... 1-\ 
~ ' 
f~~) }•..::,-~"';". 7::,,.:::--.":'..,..G-P...~r,.,, :i.... ~
\ 'i{ 
I ' 
\ . 
\"1\;c:, 
,~.~·;_ 
\7 l 
I 1-5' 
1· 
\t 
\
t. 
,/,, -
5 ~, •.;'; y;: ;•.;.,r..,v1 (, ('. /)r'I 1,.p,
\(: 
()AL-
) l-
\~1:,S 
.:1 
~ 
~'if.:f-)"Q; w, [.i'l ..- lfu /livtt>Qll,;)11J:>.I>
\'{ ·~t::.o I\J5°uw.38' PG1>uvp -f13t 
I 
\ II 
~o 
\ \ 
\ I 
/'1, ti P IIPf'/.,'r.cJ.t,s. +<> +fie .Sv,-fAC1 , 
..-
..J I 
,.. 
t. ..... 
"' --
-
-_~ 
... 
.-
.- _..,11. ,·
fMP 
fJMP 
I 
\ 
\l 
l I 
O·- Vl1\ Sh He lti\<.
2-l 
PMr 
Pf\6 
I 
2.. 
\ I 
'J 
O- Vi,, t-r; s
7( 
Of\6 
p(3 L 
I 
l 
7....,\ 
\. 
Pf3i... 
p jV\f> 
I 
ll~fWYI 
1, 
" 
\'Uf\ :f<'.:1&M, C:::s- 'fr:;:,-P,f)JJ'f G-P-f.'\.M'2-A
2..'3 r.... 1,~'H3 
NCio~~ Pf3-r 
--rc:-6 
1 
1/1 
2.. 1 
' 
~Lt&\+~~ -rr.~( s 
R~~ O(L"\Cd) 
TC=1 1 ,-) s l)~ ~ c.,f:-
co fV'\ p(1- ~l'-1 
Y:-4~~ 
-<::,~n ~r G-1J <·~~-f" a~~G.L.1=" o~:~
'Ll 
&\15~(3 
f\19~~~ -rt:'3 
pe, r, 
IJ.4C f2,v'f'l. ,-~_. ,!JA -.,IJ n"-J.- i,,~J 
":,,"-• -.Ill, "l/1 
2. ·, 
2.lt 
H 
\( 
PB[ 
-rrs-r 
I~\ j«:/ G- r" I t;f 
2. ~ 
' 
'?>o 
l' 
I I 
,,r..:,; 
P0f 
l2.t-\'. IJ{a: J (:.t'\I G-'f' 
I / I 
2­
~ 
I l 
\ t
)\ 
PB'"t 
SRY 
tU-\1 j'C::-, e, ?"I, G, 
I / i 
'3 1 
.
:rvrJ 
i..\ 
I' 
I( 
5(1~ 
PBt: 
).1..\14 1..J<::1G-M,~, t,::.FJA!(rflJ-,' C:.i!-01-"2~ 
\/ 
·] 11~ 
,,
1 
I I 
A3f 
,2:f> 
\~~ :r~,c.."'>, C.-'fr r,:.r;:,,~-, Ga~,.,u.,~ 
1/, 
2.. 5 
I 
(;\ 
I I 
1:5~ r-, ~l'll"'.J'( ~1,1,~.,~ ~".J. 
I 1.
i' 
\~{; 
Q(?J f.. 
)..l.\o:> 
! 
1, 
I\ 
i~5:,,.,., 1".!FP/.J,-1'( C:,jl.~"l.i-),G~.,.,i:,b.:,, 
c::
I~ 
rer 
,~0 
,J..1.n 
171 
2.. -
◄ 
I certify that lhe Slatements made by...
Page 7 100% OCR confidence
	


	
 







	





 
 
	










 

	

 

	

	



	

 
 
 
 
 
 
 
 
1 
 
 
 
67 
 
(AB"T . 
)CC# 
! 
 
!#  $
 
(0M 

9 
?2 
:O( (O*?; I/
 
E?4 

 	 

 *  
:'=%*EI 
 
	J 78 "( 
  
 
 
 
 
9; 
 
 
  
 
 
 
 

 
 
 
 
 
   
 '  
 
 
%"(-
 
 
  
  

 
 
    
B2>#
 @? 
K $
 
D1
$ 

 
 
  
.  
- 3. + 

  
 
 

   
    $  
  
 
& A 
  
	 
 "#-0 
  
 
 
  
  
 

 
 
  

 
. 
 
 
 
 
 
  
)& 
J, X P&O P& LOO=QM 5 X 6 ?> O'-M "?H7 F RGV 
	

  
0?W; 
? 


 
 
 
  
+# 
 
 
< H,4)F 
5

  
 '  
 
  
 
  
+ 
; 
 0    
 
0/L
 
 
 

 
1($%N 
? 
-A 

 
 
 
  
6 

  
#  
#%  
 ! 
  
 
	 
    
	 ! "# 
"!# 
 
 *   ,
 
 

 

 

 
  
 
  
   

,	 - #. %"$/
 36 "  *@: ( 78 
 
 	 
  
 
 

 

 

 

 

 

 
 !"
 
& 
 ! 
0 2  / 
	    
	
 

 
)(
 
 

 

 

 
 
 	

 

 
    	 
 
+'!& #
? 1,=
) B<4 5C9 1	, 
 
       
  )  . 
U3D 
?! ;+<$M 

 
  536 
 
  
+ 


 
 
  
 
 
  
! 
$

% 
$ ?S0 
/& 
8@V;T ?KC 
  
 
  
! 
! 
! 

 
 
 

! 
"&' 
(*24 
	
 
 
  
  
 ' 
 
! 
 
 
 
 
>%  


 
 
 
 
  
 $ 
  
 / 
 
 
 ! 
  
  
   
   
Page 8 100% OCR confidence
 


	



	

 




 
	





	





	


-J 
-
'1 
' 
::r 
ts' 
' 
' l 
-
.. 
' 
' 
~ 
-~ 
\ . 
-•~ 
I 
] 
I 
r 
-
. 
I 
-
-
-
- . 
·•-
r 
( 
·. 
I 
~ 
. 
-· . 
' 
{ 
. 
I 
I~ 
-
' 
_, 
~g..,..,.,.· 

 
M
 
 N'(O;
 
Ý?CD–L;
 
„Þ~b&Ë:)'  ßàOÏ!Xf
 
aKáâÀ
 
 

 

 

 
g\ê
 
•ëìv ‚¥—
 
*«
 

¡§î
 
}¶
5í%
 
˜†H ˆ 
|[ 

 


 
	
 
 

 

 
 

M/9 
&8!6 $:  ;#%37@  
5 1'0 @ 
F 
)+@
$79 * 
%78I 
3)/:9 3$ #4 5:<6#  66&? + 
+& "A 
.5P2 
#. 5*9 63!#"=6#9 
 
2 5, 
0F%%B'51 7* 
5 
 0#<?#69 1"389#.#2:9 
	 


95/ 
5 
 
 


	 

 
 


 
‡ÑJ ƌ¬ QÒNy¿Ì^ ǵŠzžRsj·A¹W 
ÓYÅ ÔÕ+Ö× ”ØÍº( B<PIÙ®€œÚ
 
Ûܦ`‹ h6ÊZ xÃ »2¨Â­ T1,Ÿ7ƒwĎU 
 
 
/2 )B* 
 

.
 n
  
l m

t 
L> 17 P 
 
 A ,B' C  >
(	 

 

   	   
  ! %&' 

©™
 



 
 
 
 
 
 
 
 

ª ¯ 
 
‘
 
i=- É 

" £SÁ°_4ã 
 
 $ 


   
 
 

 

 
 
 

 

 
 
 
‰šE c9¾ ue  d {äå 
 
!
 

 
 ¼
 
Ð@8/ 
3 

 
 
 9G8.%+= :C  ?H
 

 
 
& "K @ A !0<QI 5REFS­
D 
4J 
’ 
 
o 
	 
 
 
 ½ 

 
 
 
 
() * + "  

  


 	  
æ› …>¢#Vç¤0 è 

F 
 
 

T#, 
$ 

  
  
 
 
  
¸G Î
$ ék] 
 
 

 
 
	

²
 
 
 
 
U 
 
 
 
 
 
V 
 
  
r 
 

 

M ±  
 
  

 
 


 

 



 
p“ 
 
	 

 "
 

 
 
q ³ 
  
 

 
 
 

 



 	 
 


 
 
6 
>(Q C#D E# @FG/1H@ / Q / 51 I#'@ 5:/ : F;N 
  5J­
 
 
 
/5O3K 6?< 
 
 
  !
 È ´ 
  

3: - :3  ;# 
',5L@ %!4HM=  
R 
	 
 
   
   

68 
Page 9 100% OCR confidence
·
~ ,-
Aircraa Make 
Aircraft 
Points of Depatme a Arrival 
Miles Flight Re-its, Procedu1es, 
Number 
Aircraft Categorl'- • 
and Mldel 
ldentii::ation Mark 
Flown No. 
Ma..,uven, Endorsements 
of Landings 
From 
To 
A~ G,~ Pt6t-ru, 
r...- 1~6 
J\)Cf t>CJ..."<I,,, <J)-rJ 
~Af 
e, 
1-r)b ~ I S f)f}NAJD,J 1-\~';' 
b
6 
V1 
\ 
1 
It\ 
\ l 
~(-)y 
-yc.(3 
,m ~f-'-~ I Vj'.:£.1W,u:J 5\' /:JU.,el, I i3l'.);}t'\ \/, 
:) 5 
,, 
t LJ-9Jfl.& ~AUL.
~ 
I' 
,<=6 
CM~ 
1Z16 ~ 
l/\ 
\ 4 
~ 
) ( 
I l 
(. M\} 
-re'6 
,m $ t C.~~, JV\,QRS" Bl½ f )'\ ~ t.1.:-
\ 3 
_:t"~ I (:::.L;~J3e-T~
9 
H 
ll 
, e::G 
f'(3[ 
U.'l!C• 
·2. 5 
p~J: 
, t:i? 
\2:t>\ il~<Sr.."''~ppff} lF} e::~:i,..,, ty\{tf'/Ptfl 
l/1 
14
l I 
H 
(J
il 
'r.,i 
~ -~&:'1' Cl trpg.i; \.\AU 
II 
I I 
l2bl T61~Jth<!~\J~~~ ~
\7 
·-t~ -
Pf3 r 
LC.: rt! 
\.\PrU.-t... 
1- y 
A/c. I t'-'i'°J ~-T•
\q C-\71' 
r-J2_.":) '6~L LN[}-
LrJ FT 
.-• 
'I , ,4f'~~~lo/..o 
2/2 
1 
2'i3 
l?'::,G,M, c:J-4-;.,<.t.:-, CJ
2..o G.--1,scre ,'\)q~ 9BJ: 
·Tef> 
Vi 
2. 5 
~'2,_ 
\~ 
\. ( 
3'c'.::J~ 111 tr 
·1.. lo
--V:..-f> 
rer. 
\l.W­
<=.11 ~,""~1<> C.P! R~,\JC.-w!lL
23 c.-,1'2, 
tv ..L 3 <o~ L- Li'/A--
{:'l(f; 
\/1 
\ 
,, 
~(),r'\~,o c..~:.,: f?..e:.VC::w•'>'­
\ I 
\ II 
C, 
I:_v,5 ~&..M1 1W"1 "St\<=U.V 1~~1tJS.iu 
2.-~ 
fY-.& 
LN~ 
' 
•2-Cf ( .... -nsci-5 N~Di.rf pr..,~ 
·1r..~1 
t/1 
1 c;­
\< 
I l 
\~ Ile., G-f"\1 ftfI .5 H<:,1.-\..~ ~/n'Ul-~ ,J
J.b 
,~':)T 
·TE B 
\ j I 
:> l<"i 
ccr, 
IC 
I $ ~u,..L"'( l..C..-Wj:.~ 
j
I I 
\l=f.> 
·T'f-S> 
P,V ~ 
\ I ' 
~ 
~1 S\¼=L.u..-<f U,..-11"A
C\ 
\l 
\ l 
T1=.4:11 
('{3]: 
~~ 
\/ 
2.., b 
·~
\l
\I 
h 
p~ r:: 
Sft0 
1'2..'Ct l'lli:r-
1/t 
3 
\'1.. 
Sf\Y 
1'G:.6 
l'l.-.C l"E:, so1~ au:>o~ 
\/ 
'3 lS 
\\.\ 
" 
h 
" 
" 
T~ 
8£1> 
1,, :r~, c,,,\' ~ AuotU'I' 
9Au&."1j'iT l/t 
1 
I cenify lhatthe stalen-ents madeby me on this famare true. 
PageTctal 
lb/ l"t 
'+2. i 
b~ <;;' " 
Amount Fo,ward 
·C"(~ 
1 r, 7L\ J
5'< lb\q. C 
~ i.10 
Total to Date
~bf~$Qoal9aa;1 
~ClfLa 
1E,6o t 
3 ~ 11.f 
69 
Page 10 100% OCR confidence
1
~ 
Nraaft Make 
Aircraft 
POlnts of Departme & Anfval 
Mies Ftigtt 
Retnawtts, ..._._., 
NI.Iffier 
Aln:nft Category_ 
I 
and Model 
Identification Mark 
Flown No. 
11an-wrs. ....___ts 
c:I Landings 
oc.-r 
From 
To 
Actt~ ~ 
~~ J 
,l.'11. .,-c., &fll', ET,ftt'1(\uO«l.'fR~l'I' 8~1.1"
\~ G..\\S'IS Nqoi.mr 0co 
Pos: 
'l I\ 
\b 
\,' 
~Br 
't't!>1" 
\~"' J"E;, 6-M1 AvoR«:'t RAll'\0~1.Cf 
\/, 
'2.. c; 
ll " 
\ I 
\\ 
Tl.ST 
T~B 
iJR't :rl=,6-M,Cte~'f.n~~ LU#'f 2. l/1 
'3 ' 
'2..~ 
\C 
\I 
TC::6 
~e,:r 
,~ 3"4, t.-1"\, ,-r 
\/ 
2 .n 
,, 
,, 
••l'l: ET G.'4'f'f,-,0•~~""··~
J
'2..1 
PBr 
1"G:8 
'J 
A 
:C,lt"'~ 
1/ 
2 q 
'2..'i 
,, 
,ee 
YBt 
,2.'Q l"&.,C.1\1 eT, C.C.. ~ ~~(:L 
l.. l{
" 
)\ 
\( 
\lt\r 
T66 
ll.ct, °l'~J (;f'l\1 t::T, C.~t.a4- ijA'J.&L. 
1. s 
N O'I 
" ,, 
,, 
T'=B 
f>i:D 
L'l.lft 'l'~. s~lJJf f\rJl"'c U"r;Wj:S 
\/, 
lj
"' 
,,
~ 
B~ 
t'~t 
Beio l'C::,S\¼\.Uf ~ti»~ L..~I.S 
\/ l 
2._ K
" 
P'1I ~ 
~ 
'1 
Per 
TC:B 
.~, l"~,cT 
\/1 
2.C»
" 
II
\\ 
-r~ 
SA~ 
~ 
l"G, AP,t."'6f\~ ,~.,'Sta \MA~ 
4 0
. 
" 
II
\l 
SAf 
\JNY 
\3o3 'le. 
~:ce:xu..~ 
\ 1
" 
r; 
,. 
\IN'f 
SPJN 
'Ml 'Sc 
0~\1-
n
" 
,, 
c,,...
13 
S_AN 
SAf 
.~ :f(= 
t\C..,.,,.,.._ 
\ b
" 
\4 
$A~ 
T~8 
Bel, :rt:• Pi, ~~o ~ 
\ r"PJ~ 
'\. "
" 
I I 
" 
I( 
,et 
~Bfl,:( -
..
1L. 
4?(!. C 
13o1 ~(:: 
\/1 
2... 14
. 
ll 
\t
l i 
~&t" 
T~6 
,~ -s~ 
\/l 
2. $ 
\0\ 
\• 
Te.6 
e~ i:-
,"Sdl ~- f'\ftJIO't ~.:sr:,.>' "~-
2.. lg!· 
,, 
" ,,
21 
P&r 
,n,.-
\'3\b jG.,·u-l'\.61°, ~f:Jl'II ~~ 
Gft1\W 
2. 2J,
I 
,,,
Icertilythatthe statements madeby me a, this form are 1/\Je. 
..
Page Total 
'-lb 4 
tvoount Forward 
r.H: ,~ 'iC 
'3 3 7q. 3 
i.1..1:i
T-
l toDate 
~ ~
............~ 
sq, 
11o1 2. 
,Lf 3 
70 
Page 11 100% OCR confidence
	

	


 	



	
	

	




	
	

	

	

	 






	
 

	




	

 





 
-
-
-
I 
-
t==c 
1 T 
I 
-
1 
I 
I 
l 
-
• 
-
I------, 
I 
I 
-
l I 
.---
I 
I l 
I 
I 
I 
I 
-
-
-
-
I---
-
-
I 
I 
-
I---
-
I 
1 r 
I 
~ 
- - ~ -
I 
-
I 
' 
~ 
-
.. 
-
-
- 1 
J 
I 
. -
-
'1. r 
-
---
f-----
-
-
I 
I 
-
I 
1----------c---
I---
-
I 
-
I 
-
f-=-----
'--
-
. 
-
7 -
-
I 
-------,---H
I 
-
--
I 
I 
1 .-. . 
-h-
I 
-
I 
l 
-
I 
I 
I 
-1 
-
-
I 
-
I 
I 
- f------1 
I 
- . 
-
I 
I 
I 
-
~ 
I 
I 
~ 
I 
-
I 
-
I--c---- L....-~ 
I 
-
-
-
I 
I 
--
I 
~ 
-
-
I 
I 
I 
=i 
I 
I 
I 
. ====±= 
I 
I 
I 
-
I -
1..-
I 
1--
/ 
,I 
7 
-
,, 
. 
I 
. 
I 
l 
I 
I 
J 
-
I 
-+-
l 
. I 
1 
-
1j 
.. 
I 
' 
10]~ 
-7 
- ,,: .. 
-
-
-

G 
%89 > , 
&9:!> 
'#   %(  "* 
'-= 
%"#> 
# 
)!# 
C19 
% $+ 

2 7. 
3?( )@*72 9, 
/7E2 7 
)*
 #  #%# 
7! 4+5"= 
971 
7 
 
 
   
 
 

   
 
 
 
 
 
 
 
 
 

 

 
	

 
  
 

 
 
 
 
	
 
	
 

 


 
 
 
 
 
 
 
 
 
 
 
 
  
 
	    
  
 
 
 
 
 
 
 
 
 
 
 
  

 
    
 

  
 

  

 


 

 

 
(-.
 
*'
 
 
 
 
  
 
	  
 


 
 
 
 
 
 
 
  
 
  
 
 
 
 
 
  
 
 
 
 
   
 	 
 
 

 
  	  
  
 
 
  
 
 
 
 
 
 

 
 
 
 
 ! ,
 
/#	
 
&"+ 
%
 
 
  
 

	
 
 	 
 
6(,78 9 /5	4
 %
:2" 
 

 
	
 
)
  
 
 $ 
   
 
    	  
 
!	  "
 

 
 
 
 
  
  
 
 '-,
*$(	  "./!
 


-&0*
 
)+
 
.' 3#!;<1
 
$
 
 
  
    	  

 
  
 
  
 
  
 
  
 
 
 
" 
!
...
Page 12 100% OCR confidence

	

	
	
 




 


 

	







 
	
	
 
-
-
-
-
} 
, 
rv 
0 . 
- -
-
-
----
-
. 
,.-~ -
tAP:ff ILi --
--
I. 
- - -
-.--
-
I 
-""'· -
ui -
J, 
I 
.. 
\ 
,I 
. 
, 
. 
, 
I 
-
... . 
' 
.-
,, 
. 
-
-
- --
~ 
-
I 
0 
. 
I 
l 
l 
~~ 
 

 
 
  
 
A
6, 
 
72 
 
< 
"12= ' 
"26= 
&%  	#(  
 
)
> . 0+ 
.<$"<#0. 1(
 
40-
0 


 
&-E.FCGH <I9 

 
 

  
  
 
 
  
? 

 
 
   
 ! 
 
/ 
5
 
%-& 
 
@(%0 
 
 
"1A,; 7$/  78  
 

' #  
% $ 

 2 ; 
 
  
   
 
8
  
#2&
 
%!)$ <	 . 
 ! 
48?> 
2 '3 
 
 

 

 
 	
 
"
 
/")
   
5  ( 0=  

 	  
	> 
 
  
 

 
& () 

 

6 
+ 
 
1 	  
" 
( )9	
 
6# 
0* 
 
 
 5 
  1 
 
 
 
 
	   

  
 
 '  
 
   
 2<%B < < <  9<<.<8 - A - 0/ <!&: 05- 2 <1> 

	 
  
")8 
,0@. 
*#; 
0 
 
 

 
% 
' % 
()"% 
%&% 
 4/dJ ]eH f PX57T"^a9 , 
%gN S& 
U 	0(G 
 
_E :C$ h'8M
 
 
 
 
 
 
	
VK O.bIR Di = F\Q 
    
  
,-)  # 
 
    
  	

  = 4;:
 

 
< @ +  
 

	 
  
 
  
 
 
 
  
$%" +&  
	
*7 3 $     
 

   
'
	 (* .   !   
>-3 
0 .%.8 
  # 
 
	
 
 
 	  
 " # !

  
  
:+    =Dc 	   

 

 
, Y 2 ` 1Z 3  W
?jL[k@l! 
    
 
 

 0<* 

-0?.= 075 
$
  
& & & 
 
  
!"& &$ 

	 6B<+- 

 
  
B 
 
;*>
 
	 
 
 

  
  


 
 
  
  
   
  
  
 ! 
 
 
 
 
.  
 
3* 
 
4-  
  
Page 13 100% OCR confidence
Dale 
Airaaft Make 
Aira-aft 
Points of Departme & Arrival 
Miles Ai~t Remattcs, Procedwes, 
Number 
Aircraft Catego,y_ 
!1 
~ 
<&6 
andModel 
lden~f,cation M.l'k 
f---­
From --~---i Flown 
To 
No. 
Maneuvers, Endorsements 
oflandngs f----~~-~-­
~fl-~.AG- (;.L.T...JX:f­
\-¥=L-!lt­i 
2-L\ 
'J...(;k,. L -=> 
9f"\Q-~)4:--- PfV\f 
IF~ /L6, q­
~ Jo 
?5. '.2,c{,L -J 
P.Mf>-~~ - PM" 
l' ("\c:'- L, )~-su~'\..t P.-pr,~ 
pi</ '- .:;.. 
I 
-t> 'i 
¥> ~R 
~f"\~ 
I ( 
I \ 
ff"\'t 
\J~S 
I l 
\l 
\J RB 
F-xl::-r"" 
r"'1'''­
'2. 
\ -
) ... 
PM?~('.-4t -L(VJt-'fM ') 
,, 
fi-1p 
PAP 
(0 
'I 
I 
5l 
""~"1
) 
l l 
l 
'-\ 
I• 
LI 
'--1 
I C 
> I 
2.. L\ 
·1 
\1 
'l. 2l 
t cenify that the statemenlS made 'rlf me on 1his torm are true. 
Page Total 
li/, 
Amoum Forward 
Total to Date 
Page 14 100% OCR confidence
-­
-
Date 
Aiicraft Make 
Aircrat 
Points of Departwe & Arrival 
Mies Flight 
Remartis, Procedwes, 
Nl.nt>er 
Aircraft Category_ 
~ 
andModf!j 
Identification Marie 
Flown No. 
Maneuvers, Enclal'Semetlts 
ollandirgs 
l"\P,, 
From 
To 
,l~,•-lfl~ 
Gl-1.L'l:i.. 
\~L..L I 
(( &,\9'iB 
(\)qU~"ik 
\'f_':)-, 
Te::6 
1•.11 
:J(:., G .._, c::-T, •'•~ '36.tJ,,_. w\JL. )!J1~v •c..-t. 
~\WlT">Tl•NII ~­
--­
l.:rrL,,".,1"'11?.lt-J.,.~::fl:.\tU ,t 1/ 
.'\ "i( 
:J 
:I 
\ l.. 
\.s 
\( 
\l 
,06 
(!)~'[ 
Q0( 
1<::'3 
1)<1. jl;(;~--""',t':11"P, t'1.t.•l.. ~. u,,,~"'",\)c,ll'(61..->1~~ 
J "J ) 
;,,., ·'14-•'J 
\ M,)1..t 
\?3~ ~, ~, 6J~1.(t(::-fS>Z-:J)"1f➔ lkv_,,..,~!PI 
\) , 
\;, 
:2. '-I 
2. 4 
\6 
\l 
\ l 
Te::B 
n::-s, 
\34: :rG:,5 \¥::LU..-4' L..Gwr;, 
Y, 
3 
~ 
I 
2. \ 
3t:> 
le ,, 
l l 
I\ 
____,. 
\ w \ 
7cc, 
---r<::!3 
M'OVJ 
341 .:rC:: , ~ \¼:: LLC:::'f 
\3£.12.! ~c.~~10,J 
L(';;. w "J:5 
\/ \ 
y 
l 
0 
~ 
II 
3\ 
~w 
I 
I..\ 
\( 
It 
I( 
\~ 
\ I 
\( 
MOvJ 
,~0 
f~'(. 
,C=6 
f 6-C 
,c.0 
\34: ::r<:J GI'\ 
Je,..J"\I <::1"I ~~ \ ~,'-'\A'L(.;
341 $ 
\'3¥ :J'{:;,~n, <=,, \f<.:r.lJr'-v 
\/ l 
l 17 
L l-\ 
J.. 4 
I 
II er 
I ( 
\l 
·1e=~ 
SAY 
13'-it. :re::, &f'\1 \ ~~Lk 
\/ 
~ I'\ 
\ 1... 
\ \.,\ 
ll 
V 
,, 
ll 
<0~ 
\I /\fi 
\] ~JC-( 
SPo 
13tnJsc.: 
~4'613"~ 
\/1 
\/\ 
i n 
I rl. 
\ 11 
\C"' 
I, 
I l 
\l 
l ( 
I l 
'l 
l ' 
SFD 
Lx,S 
Pl-\-1 
LPi5 
~\\'f 
r~J: 
(3Lf1 ~ 
:rC:::­
13P 
1351 tr& 
\/ 
l/\ 
/, 
\ 12.. 
\ p 
3 Pl 
I 
r ,, 
\¢, 
2.e:: 
l( 
I ( 
I l 
I l 
~&1)~ 
·l"e.6 
-'fcf, 
'1':!5-r­
l3sl .:r& 
t\51 :r<=-1 (s..r~~~ri.{}~ /\"ttP.J:'~ 
\/ \ 
\/ \ 
2. 6 
1-,
7-. 
.2_.., 
25 
\ I. 
I\. 
11. 
l l 
11:5, 
1t:1; 
-V::f> 
re .i::­
l~~ e.W:Z..,t'k::~:it>l,"'50_,,,;,>,.,.;.,.,:­
~,_rt-~ lk.L;~,.oi
6<s'l-"'-~J:. 
(l~-f ,,_ 
~ u. 
•A-•• llCI 
~S" R~s;;n:-orJ 
\/1 
3 J. 
t..{
'2.. 
◄ 
I certify that the sratements made by meon this loon a-e true. 
Page Total 
P:V,>--
4q 1q 
'\ 'l­
.AmOLrlt Fotward 
~ 
~~ 7lb'½ r8 
'?i > \ \')._ 
~ 
{,'30b
l'Dtal 11D Date 
IIL
,.,,..,.58aiW~ 
3 ) ...
Page 15 100% OCR confidence
Date 
AKcral Make 
An:raA 
Pamts of Departure & Anival 
Miles 
Flight 
Renalt<s, Procedures. 
NLllltler 
Aircraft Calegar•­
..__..... Enclarsemalts
and t.tidel 
Identification Mark 
Rown No. 
d Landngs 
From 
To 
~ 
lr2. 
'°1\JN 
~(:£fut/II<::' (,<...ux..-1... 
l¾t..1,_ 
'3o G-n59B 
(\)qD~\c:;' ~f>~ 
'1):S'T 
~ R6fos1.1JD,J 
\/0 
-2.. 8 
I( 
It
3o 
115) 
f(31 
13.S"l :s·<=, &M, C."")", ~f'1 Soi'~ 13;:Wt.'2 
2. 5 
\{
l l 
~L. 
~~;:: 
'1'e£> 
\35~, ~t~~t~,s.;p~"(J~ 
\/ 
2 s-
s 
II 
I( 
-:l'<.:1 G,/"\
\Cf> 
L f &'(3 
~ 
/1 
6 1 
b 
IC 
ll 
lf6''3 
L:r.ED 
\}:p ::rC::.16M 
l/ 
2 :) 
q 
It 
I( 
L-r/-D 
&f\'\fV\X 
\361 :J6.1G-M 
v, 
2. q 
l (
I<
\ I 
bfV\(V'X 
&r\F~ 
l':\l.1.. :r<.:JG.M 
\ II 
9 
I ( 
l( 
1¾3 ::f<S1C.~
't 
G-f"\fy 
Lc6f3 
\/1 
\ '1 
I( 
·J I 
Lero 
E<sc;w 
1"¾4 :F:=16-M 
\/ 
\ 1 
\ 'l.. " 
\I 
\I 
f:G.&w 
£:&AF, 
l3l.S" J"b , GM 
\/1 
\ D 
It 
1 ( 
\'L 
fuf}f} 
5&R 
\1,£:, :S-G:.,G /"\ 
\/ 
6 L\ 
\1... 
\( 
H 
f:>&R, 
T<.::.f> 
\3b.l ~(:JG-M 
\ l 
\L\ 
,~ 
I l 
'TC:::'6 
() (3 r 
\'3(,.~. :S-b.,S ~U=-1' LC..."-l>t:.':, 
'/\ 
1. 51 
1, 
II 
13(.'f ~c:;., 5 1¥.l..L<::'f t.ec-~s 
GBIZ1'
\q 
f7'3-r 
~0 
~~11RGI½ 1/\ 
2. 5 
I 
H 
1316l:J"-1 Cz/"11 <..:.-r1 A<' ,ScPt-'1~1 :Ylti~':.fc'
,e.0 
SA~ 
I /VI ~LC,-, 
nt,"' 
:l I
h T
'ct 
I< 
1 
i;.,e, 
~P;rvt~~s tf.~U.Sci<-$lb\w rl.J;l,~J 
3 c; 
' 
'24' 
I L 
SJ:r'\lJ~ ::r f\<'.. 
Jf\( 
~~e'-1"'=" 
Q. ~ 
-o • 
S1,)'C,U f::i-JC.J:.IJ<. I\Pt)ao~j £~JUI.. 
~ 
ll 
11 
jY-K -.-¢,B-swy-
~J>.i;\..\l'tl:.-'i 
\-+'i" ()/{f',vc.,.rl' ~AC1-v 
r1i 
y 0 
LI 
ll 
I( 
~ 
*,-,..(::flbr::...L'( OG-5C.C::.,..,T
:fy\(-$\JJ ~ / S Y-'L 
f'Jl(J.tJfl6", o "'•i'<S ~Cc l"\AL"->..,c:y,.,,.;, 
y I 
11 
~ 
N90'h:-f~ ?GJ: 
Sr:t(-
\11~ --g:.._J G .I"'l <.,;~ Jf1 'f 
\/ 
3 5
r
'2..'
I 
I certify that the Slatements madebyme m ttis fonn are true. 
PageTot!I 
_.,-I~I 
S1 2 
(,3 o(,,
I 
Amol.w'II Forward 
l~<Ht 
7~ :1 
3 3 \\ 2. ~ 
031% 
3 :>
'l..-2..,, 
total to Date
.,,.-92JltJM RJ 
l-,0~ 
787~ °I 
\\2. " 
L 
75 
Page 16 100% OCR confidence
	
	




	


	
	



I 
~ .... ; 
111 
~: 
' 
! 
I 
I 
' 
'"2 
l ,. 
ll 
' 
I 
-
--
' 
I 
-
-
l 
j 
~ 
I 
I 
11 
I 
I• 
I 
I 
~ 
/ 
j 1 
' 
I 
-
I ( 
I 
I 
Ii 
.-

 
 
 
76 
7 
 23: $ 
!427 
%" 
 !&   '
) 
/ 0' 
.8# 8 0/ 2% 

 
20+ 
# 
 5
= 

 
 
 
 
 
 
  
0
 
  
 
 
 
 
‚ ƒ 
%. 
  
  
  
 
 
 
  
	 
 
"  
+' 
:&-
 
$ 
… † 

 
 
ˆ  
 
*")
 
 
  
;/ 
Å 
 
  
'>2
 
&

 
Š‹ 
Œ  
$3
 
 
¥” 
¨ 
 
  
 
 
4# 
 
 
 
	 
+ 
 
 
 
 
 
 

 
 
 
  
 
-=?) 
@ 
=	01A
2;> 
 	 


 
0 
 
 
  
 
1 
 
 
 
 

 
 
 

  
 
<9! 
 

 
	 
¸`™ 
 &6 
0</ 
 
0 
 
¤E9  
  
 
 
 
º 
 
 
  

  

 
‡<ÀA 
 
£= 
 

 
 
 
Ž>¬
 
 
 
 
# &$ 
 
 
&($ 
"%" 
  $ !*  
IK c Mg 0d a° 
   	 
 "( 
-O _s ²¡!  
Tb¼ ‘| –CD5 
€U  @e P½ fXV ¾S{x# „ µ¿ 
)8 ’Lop  yÁn t 
}[% ¢iŸQk œRžB› 
 —à ˜zÄl ‰ ¶?³ 
J.  u ¹/1 2 •Æ© 
Hª v& Ç' ® š¯(w\±Z 
 	  
   
0 /"/6 
 
 
É 
Ê·Gh Ë´Ì  
FN¦  “Y
jm	 
Í ] ~ Î^ qrW  
  	  
! 
 
 
 08( 

,0;/9 052 
% 
% % 
;*2 
 
 

 
(7
 
  
8 
	 
6
 ,

%
­



 
 %)*+ 
«  	 
§  
  
  
 
 » 
  
  
  
 
 Â 
  
  
 
:  
 È 
 
, 
 
  
  
  
 7 
	
 
Ð 
Ñ Ò 
 

 
 
  
 
 
 
 
Ï 
  6 
34;
 

 
Page 17 100% OCR confidence
	
 
	








	


	




	 
	


	


 	
	

	

	

	





:7 
-19= 
, 
I 
I 
---
II 
I 
I 
11 
-
I 
I 
, 
 
 
 
 
 
 
 
 
 
77 
B 
$66 B * 
$67E 
!(' ! #$(*$  
$$+ 
%+@ 
+&!"B 
$' $!*$' 
H.8 
$$) 

)!$, 
0 5, 

1C$'D$51 ; 
-5J1 5 
*+& !$' (' 
5 2(2!A 
95. 
5 
%'0&1  
  
,-
 
  
 
 
 $ :L/%A 0#E 
 

 
 
 
 
 
 
 )*
 
F 
 B+ .H1 9G
 
 
 
 
  
 
	 
 
    

  
 	
   
 
/ 2 
 

 
 
 
 
    
 
 
 
  
	"
3*! 
 
 
  
@ 
 
 
  + 
	 
 
 
  
 
 
 

    
,MN  2 
K-
  
 
  
  
 
 
 
 
 
 
 
  
  
 
 
 
 
 
 
 
 
  
	 
 
  ;O34!
 
7I5<
 
 
 
 
 
  
 
 
 
   
  
 
 
 
 
 
  
 
 
	 
  
?JP =  
 
  
 
 
)  
 
 
  
 
  
 
 
  
 

 
 
C 6 ' 
 
 
 
  
 
 

 
 
D(   
 
  
 
 
 
 
 
 	   
  
 
 
 
 
 
 
	    
 
 

 
 
 
 
 
 &8	 "> 
 
 

  
 
 

 
  # .$( 
  
  
 
 
 

 
  

 

 
 

 
  
=)K C#B B# @CB/3D@ . K . 51 E#)@ 5< : F> 
!5C, 
 
  



 

 
.5I4G 5?6 
  
%"  

  
 
   
!( (! ( 
   
   
 
 
Page 18 100% OCR confidence
. 
Date 
AiraattMake 
Airaalt 
Paints of Departwe & Arrival 
Mies Flight 
Remarks,Proc~ 
Number 
Aircraft Categmy... 
-
and Model 
lderfficatioo Mark 
Flown No. 
Maneuv-, Endorsements 
oflandings 
FmTI 
To 
A~~ 
(,.L.Il):;{l \.k:t..tt.•• 
'ei 
JO\) G- -H5'1B N qogse ~(:P 
166 
\41~ :I6J S ~u..e::y LJE;w'J.S 
\ I 
"2..2. 
\ I 
~ \ 
·,Ef-3 
OCA 
\t.\ l'1 :J61 fl{'J S \¥=LL~ L<cv"J-5 
\/1 
'\ 0 
-7_1.. 
\l 
\\ 
OcfJ, 
f'5J: 
\4lt> 3'61AP, S t¼t..1.6( l.bW!-5 
·11, 
2... ... 
~ 
h 
I ' 
&M
2~ 
9S:S: 
'1J::S'f 
\~2.\ 3E:1 
2.. L\ 
\ l
\ I 
)0 
t15-f 
r13r 
\422. :IE: J & M 
\/\ 
L... 7 
Qc<.. 
:rG, 6-M
I 
It 
I ' 
fi>'3l 
Or-vJ 
\4~ 
\/\ 
"2.. h 
11 
,, 
T<½ Csf"'J R::~\\l ~6-~t:n"~ 
g
\ 
OFvJ 
AOQ 
142'. 
\/1 
) 
,., 
,,
'I
.._ 
ABO 
SA~ 
l'i 2,.-; Rc;;:ros;:n-.w 
,/1 
lS 
It 
I\
'2.. 
SA~ 
,GB 
1Lf.U, ::rt, (,f"\ 
~ 15 
,, 
\\ 
.T('.::6 
::Je., GM1 t=,I ¥((;.Ll.'( .S (>AM/I'\
< 
~ 
LFPS 
LIU 
/, 
6 s 
,, 
' I 
I~~ ::r~J (,f\( f::.."'\J }<l::1..L."f Sf))MJ'\
b 
LFf5 
.f:GG·\>J 
\ 0 
JcJ6-M,,;Y-4L-...'f 5f1..MA~1:..>'! r'f't-.,-;. t..~
7 
;' 
l\ 
r;;,.&<:,w 
f.G y M 
\4:l..'1 
\ ~.,. •• ,.,, 
ll"\ObM 
I\~~,_~ 
5 
•
.~~M'l,:Al(,~~M
\( 
\(
7 
e.G~M 
l.:G-S µ 
\43.> ~~µ{;~~ .~,.•· - _, 
I 
l'i 
q 
I( 
II 
~ 
61"·1-,'=-1J J<i:u...'I'Sf'A-'\/'I
~&sµ-
C.Y.Q X 
\43\ 
'( .,._._....-=.,..t, 'i,16J., loll, A.-wA.'\ 
5 D 
It 
~, C:..rJ\,t:.1, "'(::L\..,1 S1./}.Ml'I
Cf 
It 
c.YQX 
f>Br-
\l\~ 
, 
4 
,_ 
11-113 
J(:;. ,C:rf"I,er, -v,.Jaji,N'.h
It 
'It
\ l 
f~r 
\c:B 
\/ I 
·1.. (, 
. 
I( 
\\ 
'-'3'- "leJWI\1 (.\~ VJ,S'l,JtvPP.
\4 
\l::.5 
~ 
\/\ 
3 ~ 
,,, 
~SJ.?ro,<1 ~ 
of5 ?- ~<.,.~
l:\ 
\• 
Tr;--r 
re:;: 
l~i5 
.2.. IY 
~;;1 
\ I 
,, 
r-G>=. 
f6 ;:-
43~ ,c.P,S C.ci.11'~~--y;:. O,-J 
\ I I 
h 
•I 
I certify that the statements made by me on this fonh are true. 
Page Total 
; lib 
45l<: 
b34'.l.
AmOl.Wlt Forward 
601.1-1--
7CtCj\ 9 
3 t3 
'\i.. 
{;JS\
Total to Date 
3 ?;
{,.(:)14--
8037 ~ 
\ IL
""·-~~~ 
J 
78 
Page 19 100% OCR confidence
	





Ċ

 

	
ċ

 
	
	
	



. 
•I 
• I -• 
J 
I 
I 
I 
'; 
I· 
' 
I• :~ 
; 
J 
I 
.. --~--
.__,""'II 
-
"T 
-
I 
I 1\ 
i I 
' 
-
I 
• ' '"" 
{ 
. -------=.:.c.! .. 
~ 
1 
I 
. 
, 
-
J. , 
c_ 
I l.\ 
17 
- - -
I 
-
I 
-
-
I 

Z

 
[\ ] ^ _`a

 
 
 
 
 
 

 
g
 
 
ȅ
H
 
!9>
 
)
 
";:G
 
&%.- & ()/1)
 

 
** 2!
Ǜ
'Ʈŗ
mĺǃ

 


 

 

 
)
 

 
Ť
+
 

 
6
 
7-

 
 
ơ
?Ś

 
  

 

 
õşŇƚb

 
ÿšŢAǐ

 
 
 
1E"$H(72
 
<*
 
970
 
İÆƦƁ
&   
  
 

 

 

 
  
ð2Ǡ,

 


 
ƢŠƤ¹¾Ū

 
 

 
ƹ…ôüǑʼn7  
 
  
 

 

 

 
ò6LđĒ
  

 
A"K
 
F H
 
H 
 
CGH04HD
 
0
 
K 0 73 H &C 7@
 
=
 
HB
 
'/7HC
 
!5FI;
 

|:ŵNj
Ȇ
7
 

 

 

 



 

 
ĩƋĈ


 
  

 
#+C
 
,$ H
 
.7J3
 
7
 
صŖ
ř-¯Ý
ƙŞ
9ũ¸Ħ

 
%12)-
 
%&)-$%.-
ÒÀ‰É=ƌ>ǝŅ


 

 
  

 
 

 
ŨŸ
 
   
%
 
*  !" 
 

 

 
	
 
 

 

 
™ź
 

 
łć ĪǴƔ

 
ąĆ

 
 
 
	
 
ǖŋÞ@
Įøƴ
 
ś¶¤

 


 
Ŝ·ĭ©
Ă
ţºǬ

 
$,-
 
+&1*-
 
ÎæˆĀǜ<¨q
oǀ– ļǞĝĞ• Ɨäǎ
°Á ¿ƯìŠ!  íĴ
Öƾ‹ĽǚğĠǒ*ġǟǐ‡
ÔúƘľ;Ģģ"œĤÂŭĕ
nù ǡŮō#ŔĥâǏ†
Ŀ÷ ûěÍÌņ×   
ëƊ0Ĺ¥Ž¦

 
ĸňáǢDŽŶƆRŀƧS
Äì˜ħDžǣǤęı»”Ĩ¼



 
	
 

àƨǓǔŲŴůǕcǥǦǧ „îrƕöƈ/+
 
ŁƽŽāƍšç) 
 ›ČǨþƵǩǪŕƩǫ
ÓƿBƎCŸčĎŎǭĚŻï
 
ÑǮǯœ
 
į
Ɖ&dǰDZŷƂĄw±ďƛñlDzdz
㧝zÙÜ~ǂDƸ Œ¢¡Ɯƪ
 EǵsŃŊƇIJǶØFýėǁƷƓ€½pǷǍŰǸ
0
 

 
ŏƺ
 

 
 


ĻưdžÛÊǹƣG(Hž ſƐLJßĔǺ 
 
}ƫ“Ė
ijĵƥhiǻ
 

 

 eèĉkIJWKƒ	
 

4LjË1ƃǼƝǽåŐ.  5
	
 
Ƅ	
 
ƱƀfƲ
TuÕóƼƶ# ƅǾŬĶƏƬǿƞƻvǘ ķĐĜī
 
ŌMȀ
ȁVXyųƭ $őƳNnjÚűjUžéljƒżãO 

	

 

 
	

 
 Y3QP
 
ȂÐ  
 

 
7H.
 
07I8H
 
7?J9
 
'."
 
.& .
 
I0;
 
7 6%5C
 

 

 
ŝŒ—
‚

 

 


 
...
Page 20 100% OCR confidence
-
-­
Date 
-11t='. 
Aircraft Males 
and Model 
Aircraft 
Identification Mall! 
Points of Depatllre & Anival 
Miles 
Aown 
Fight 
No. 
Remaltcs, Procedwes, 
Maneuvers, Endorsements 
Number 
of Landings 
Aircraft Category_ 
c.i:,\ 
Rom 
To 
..,,,.,.....A-, 
~1."\jC,, G-LIOc:12 \¼LU.. 
,._ \ 
~-lLl-l.o0 .00.4'"Mi.f O<r=vJ 
D~v✓ 
t<v,•tv--•'I'"'( ~~ 
C:~l. ~.,"'"P•lf" 
:110.1.i.:?.i.~<i,<"t:,~~ 
(.hi> b,~'\t;:t:.:.,.i...>,- ~~! 
' 
,, .r: 
2.1..­
2~ 
. 
\( 
~;r'\VL/:¥Ydl 
,. 
Jv\&r\ 
\ I 
f/\eM 
\ I 
~,v'tAY>, S~')) $!..Jc:.-" <";f'/uf::11<.:~c-.c,~'.J 
\~i... (,::J"IC..::.~ll, p.t'fn ~ 
• . f:: ,o~~..--,.., -.1::V,> 
e,u c~ Ral:; 
--­
...... fl 
2- Li 
·2.3 
2'"2.. 
C.. -'-t 2 \ B 
\. 
/\JCt o'-6G-M 
1 \ 
f\C::W 
l:\o.s 
~\) <, 
PNS 
3'.•I" ~~ 
"""'"'C>- \\'Iv ~l Oc:W,!),t'N 
Pt -;;/1.('oQ.'f o,~ ~,.,s -
:,-o.,~~ /V\h"''O·- S~'~c,t:,.,.._ of(&P, ~MS/ 
~.J M"'A'" 
"'"'C<:ftlf° . ,~ ... .l •A~a:C"·",.,.,: 
\/ I 
\/ 
6 
3 '2.. 
'2..3 
((\r­
\ I 
I( 
\ t 
I\ 
PNS 
9f} '[ 
P6r 
LCQ 
:J'b.VC\-·n'l?)I" MA~C>- ~~Co~"'i"'""''-',t,u:»11> 
n,_ 
• 
,OU "" 
1'.:,· '\'J"'5 .l,­
0.AII (: 
l(~Tf f<&?G.u/t~-t.J..,J:M~~ QC_~N):a,
-s T'II.Ai:u ~~ -4" U::'-C: I, ~'­ /. \.t~ 
3 
\ 
\ 
9 
◄ 
:> 
., 
''l 
;_co 
Lf.l\L... 
1 tt~ t'lO~~- n.,rt111,, S'Ti?P.(t-1."t',..~1. 
\ 
.., 
) 
J 
'5 
I ( 
b-n5'\<1 
II 
1v9cf\~ 
I r~L 
(:)~f 
PG r:: 
C,'f~J"i' 
\(it~,y ~ 
• ~,$' ~ 
\'1~ J<= /G,/\, <::,J 'VJ.It<.. r.M f-J «c6:;lt1) c, y.-! 
R<i<~.t 
I 
-:, 
I 
<is 
(:, 
tf..i 
ts 
I ' 
\( 
I l 
lt 
'I 
'I 
c.1 ::s-, 
L(/4'@ 
LE:.GR 
L-ff0 
LC:Gft 
6-1"\,, 
<sl't{l:f
\\\\,.', ~p,,..,<=.,, \ IK 
(l v!.D,,/J.J,i> 
\'-\Uc, ~~tlG.'=1'iJ'~~L.~:.:~:.z~~~( 
\4t..1 -'l.::10"", <::-~ • 1~, f..t.Cc..2t.1t> ~t.,:t'Of\ re~ 
'{~.,.M;(/ 1 
/1 
\/ l 
1/J 
s 3 
J_ 15 
?) 
q 
11 
I I 
{Jf.1\-f{ 
t.G&vJ 
114US .....~ 
1&/'\1 C::;1 \Jrt 
(;_Gf?.. \7 
2- l'-i 
\\ 
\I 
I' 
\. 
I I 
" 
f:.&&w 
RG-R 
{3G-r<. 
r-e::0 
14>'-! J<= Jlrf"', <=!\I ,.JR._ 
i llt1. S<=,&J'l/l, <.::"fI \JR. 
f-<t;IZ 
R61t 
(., 
I 
6 
? 
iL\ 
\ '1 
'S 
(. -...
Extracted image

Page 1
photograph
1582 x 1225

Possible photograph

Extracted image

Page 2
photograph
1582 x 1225

Possible photograph

Extracted image

Page 3
photograph
1652 x 1276

Possible photograph

Extracted image

Page 4
photograph
1656 x 1281

Possible photograph

Extracted image

Page 5
photograph
1582 x 1225

Possible photograph

Extracted image

Page 6
photograph
1582 x 1225

Possible photograph

Extracted image

Page 7
photograph
1652 x 1276

Possible photograph

Extracted image

Page 8
photograph
1651 x 1276

Possible photograph

Extracted image

Page 9
photograph
1582 x 1225

Possible photograph

Extracted image

Page 10
photograph
1582 x 1226

Possible photograph

Extracted image

Page 11
photograph
1650 x 1275

Possible photograph

Extracted image

Page 12
photograph
1652 x 1277

Possible photograph

Extracted image

Page 13
photograph
1582 x 1225

Possible photograph

Extracted image

Page 14
photograph
1582 x 1225

Possible photograph

Extracted image

Page 15
photograph
1582 x 1225

Possible photograph

Extracted image

Page 16
photograph
1652 x 1277

Possible photograph

Extracted image

Page 17
photograph
1652 x 1275

Possible photograph

Extracted image

Page 18
photograph
1582 x 1225

Possible photograph

Extracted image

Page 19
photograph
1656 x 1281

Possible photograph

Extracted image

Page 20
photograph
1582 x 1225

Possible photograph

People Mentioned
Places Mentioned
Document Info
File Path
additional_files/B. Flight Log_Released in U.S. v. Maxwell_Part4_0_0_0_0.pdf
File Size
7,170 KB
Processed
2025-12-20 19:25
Status
completed
Related Documents (8)